Каскадный усилитель

Каскадный усилитель представляет собой электронное устройство, объединяющее
несколько усилителей (каскадов, ступеней), где выход каждого предыдущего усилителя
соединяется со входом последующего.
В зависимости от назначения усилители различаются по виду сигнала: они бывают
постоянного и переменного тока, которые, в свою очередь, делятся на усилители
импульсных и гармонических сигналов.

Каскадный усилитель фото 1

Главными характеристиками усилителей являются:

  • коэффициент усиления – отношение выходного и входного сигналов по мощности,
    току или напряжению;
  • полоса пропускания – диапазон рабочих частот;
  • входное и выходное сопротивление;
  • выходная мощность – мощность выделенная на нагрузке;
Каскадный усилитель фото 2
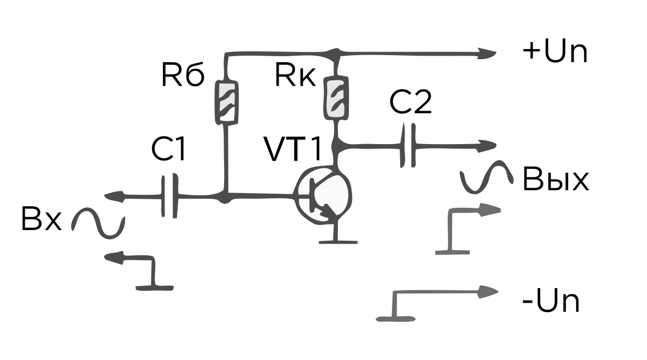
Схема усилительного каскада на биполярном транзисторе с общим эмиттером

На вход первого каскада усилителя подаётся входной электрический сигнал мощностью Pвх от постороннего источника, а к выходу конечного каскада подключается нагрузка, на которой выделяется выходная мощность Рвых.

Для нормальной работы каскадов усилителя и нагрузки к ним подводится электрическая энергия от источника питания; также от него отбирается мощность Ро для усиления сигнала, поступающего на вход усилителя. Для мощностей в усилителе существует неравенство: Рвх< Рвых < Ро. Обобщённая структурная схема такого усилителя изображена на рис. 1. Таким образом, усилитель является преобразователем, превращающим энергию электропитания в энергию выходного сигнала и управляющимся входным сигналом. Для такого преобразования применяются различные усилительные элементы: электронные лампы, полевые и биполярные транзисторы, варикапы и др.

Введите ваше Имя и Фамилию:

Отправить

или

Войдите, чтобы оставить комментарий