
Микроструктура стали представляет собой сложную композицию из различных фаз: феррит, цементит, аустенит и т.д.
Эти фазы отличаются друг от друга кристаллической решеткой, химическим составом и строением, что определяет различные физические и химические свойства материала.
Достижение определенной степени проявления свойств материала обеспечивается заданным соотношением фаз.

Феррит (α-Fe) — это одна из фаз в сплавах на основе железа.
Ферритная фаза – раствор углерода в железе с объемно-центрированной кристаллической решеткой.
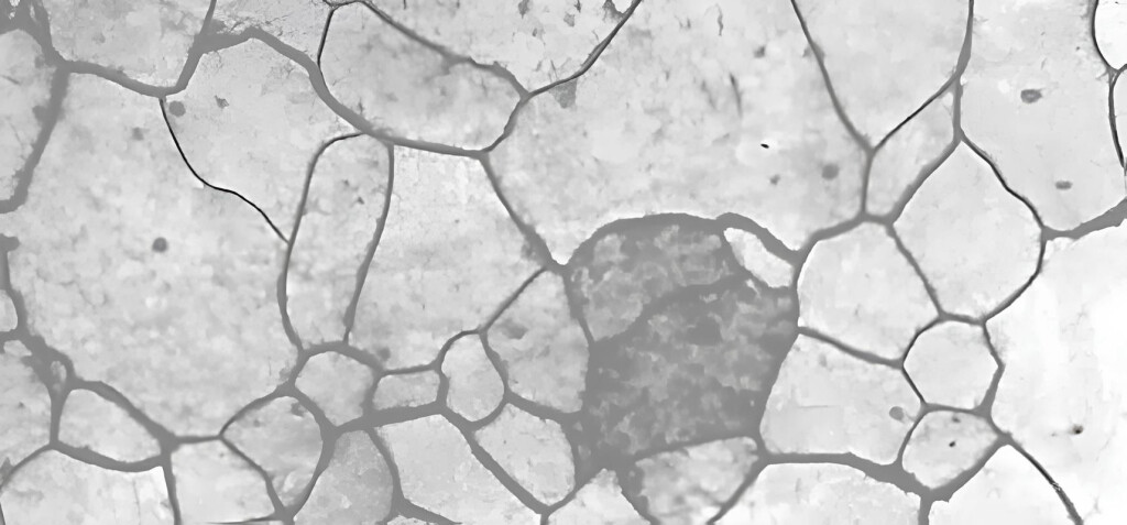
В этой статье разбираем ферритную фазу на примере аустенитных нержавеющих сталей. В идеальном случае в таких сталях 100%-ая аустенитная структура была бы оптимальной с точки зрения коррозионной стойкости и прочности, а выделение других фаз нежелательно, но в реальной жизни все сложнее.
Феррит весьма эффективен для предотвращения горячих трещин в нержавеющих аустенитных сварочных металлах. Однако он может вызывать охрупчивание сварного соединения, а также снижать его ударную вязкость при пониженных температурах.
Рисунок 1Причины появления иных фазы в аустенитных сталях связаны с несколькими факторами.
• Температурные режимы обработки. При нагреве в определённом интервале температур и при неправильном охлаждении может происходить увеличение количества феррита. Быстрое охлаждение после нагрева подавляет превращение аустенита в феррит, сохраняется аустенитная фаза. В сварных швах сложно контролировать процессы охлаждения, что приводит к появлению различных фаз, в том числе, феррита.
• Механическое воздействие может также вызывать появление разных фаз в металле через фазовые превращения - изменения в кристаллической структуре. Яркий пример – мартенсит деформации – фаза, образующаяся в результате пластической деформации
Ферритную фазу в металлах определяют с помощью металлографического и магнитного методов. Эти методы регламентированы стандартами: для аустенитных сталей — ГОСТ 11878-66 «Сталь аустенитная. Методы определения содержания ферритной фазы», для металла сварного шва — ГОСТ Р 53686-2009 «Сварка. Определение содержания ферритной фазы в металле сварного шва аустенитных сталей».
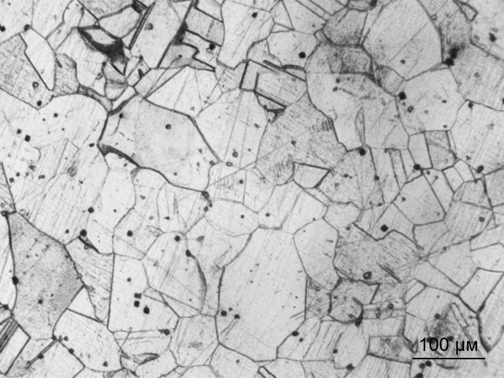
Металлографический метод. Для проведения исследования из металлического профиля (круглого или квадратного сечения) диаметром/толщиной 80-270 мм вырезают образец-макрошлиф. Зона отбора образца располагается между центром заготовки и её средней частью. Минимальная длина образца вдоль оси проката составляет 10-12 мм, с дополнительным припуском на механическую обработку не менее 0,5 мм.
Подготовка поверхности включает последовательное шлифование, полировку и химическое травление специализированными реактивами, например, медно-аммиачным раствором по ГОСТ 11878-66.
Исследование проводят с помощью металлографического микроскопа при 280-320-кратном увеличении. Количественную оценку объёмной доли ферритной фазы выполняют методом сравнительного анализа с эталонными изображениями, выражая результат в процентном соотношении или баллах установленной шкалы.

Магнитный метод измерения содержания феррита основан на различии в магнитных свойствах. Измеряемое магнитное взаимодействие отражает концентрацию ферритной фазы и преобразуется в стандартизированные значения ферритного числа. Ферритное число (ФЧ) – условная величина, характеризующая содержание ферритной фазы в хромоникелевых сталях аустенитного или аустенитно-ферритного класса.
Соотношение между СФФ в процентах и ферритным числом определяется формулой:
ФЧ = 1,8 х % СФФ
Для измерения ФЧ используются специальные приборы — локальные ферритометры. Преимущество метода в том, что показания ферритометра зависят только от содержания феррита, а не от формы его частиц или других неоднородностей в структуре стали.
Локальное и объёмное измерение содержания ферритной фазы (СФФ) с помощью ферритометров - два метода магнитной ферритометрии, которые взаимно дополняют друг друга.
Локальный метод применяется для измерений СФФ на поверхности основного металла в отдельных точках контролируемой поверхности: сварных швов и антикоррозионных наплавок.
Объёмное измерение содержания ферритной фазы - метод, при котором образцы стандартного размера, вырезанные из зоны контроля, намагничиваются до состояния технического насыщения.
Пример локального ферритометра - локальный Ферритометр МФ-51НЦ может применяться в лабораторных и цеховых условиях.
Диапазон возможных значений ферритного числа составляет: от 0 до 120 и более или содержанием ферритной фазы от 0 до 80 %.

Локальный ферритометр МФ-51НЦ
Введите ваше Имя и Фамилию:
Отправитьили
Войдите, чтобы оставить комментарий